TMC3K6J(正面调) 【New】
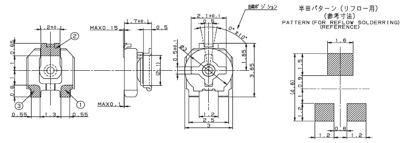
正面可調電阻(3.65*3.0mm H:1.7mm)
Nominal Total Resistance:
100Ω,200Ω,470Ω,1kΩ,2.2kΩ,4.7kΩ,100kΩ,220kΩ,470kΩ,1MΩ,2.2MΩ
space saving size
easily adjusts with standard screwdriver
metal-glaze resisance element gives excellent stability and protection against envi-ronmental factors
can be mounted to a circuit board with abhesive
desinged for reflow soldering
supplied in 8mm tape for automatic assembly equipment
conform Rohs
精密薄型式
體積小 耐用性高 安定性佳
符合 Rohs 無鹵規範
產品簡介

服務-聯絡專線
聯絡人 -
-
電話 :
-
信箱 :
-
傳真 :
-
地址 :